



二通保溫旋塞閥詳細說明
主要性能規范
|
型號
|
公稱壓力
PN(MPa) |
試驗壓力PS(MPa)
|
工作壓力
P(MPa) |
適用介質
|
工作溫度
(℃) |
|
|
殼體
|
密封
|
|||||
|
BX43W-1.0P
|
1.0
|
1.5
|
1.1
|
1.0
|
硝酸類等
|
≤250
|
|
BX43W-1.0C
|
1.0
|
1.5
|
1.1
|
1.0
|
非腐蝕、弱腐蝕
|
≤200
|
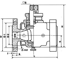
主要尺寸
|
口徑(DN)
|
L
|
D
|
D1
|
D2
|
z-φd
|
|
|
20
|
90
|
150
|
105
|
75
|
55
|
4╳14
|
|
25
|
110
|
160
|
115
|
85
|
65
|
4╳14
|
|
32
|
115
|
190
|
135
|
100
|
78
|
4╳18
|
|
40
|
150
|
200
|
145
|
110
|
85
|
4╳18
|
|
50
|
170
|
220
|
160
|
125
|
100
|
4╳18
|
|
65
|
220
|
280
|
180
|
145
|
120
|
4╳18
|
|
80
|
250
|
300
|
195
|
160
|
135
|
4╳18
|
|
100
|
300
|
340
|
215
|
180
|
155
|
8╳18
|
|
125
|
350
|
245
|
210
|
185
|
8╳18
|
|
|
150
|
400
|
280
|
240
|
210
|
8╳23
|
|
|
200
|
450
|
335
|
295
|
265
|
8╳23
|
|
|
250
|
530
|
390
|
350
|
320
|
8╳23
|
|
|
300
|
580
|
440
|
400
|
368
|
8╳23
|
|
主要材料
|
零件名稱
|
閥體、塞子
|
填料
|
|
BX43W-1.0P
BX43W-1.0R |
不銹鋼
|
石墨盤根+304
|
|
BX43W-1.0C
|
鑄鋼
|

.jpg)