



◆產品結構特點
美標卡套式軟密封旋塞閥適用于公稱壓力CLASS150-900LBS,工作溫度為-29-180℃的石油、化工、制藥、化肥、電力行業等各種工況的管路上,切斷或接通管路介質。
◆其主要結構特點
1、產品結構合理、密封可靠、性能優良、造型美觀。
2、它的密封性是通過卡套四周的密封面來實現的。獨特的360°金屬唇邊保護固定卡套。
3、閥門沒有空腔給介質積聚。
4、金屬唇邊在旋塞轉時提供自潔的作用,適合于粘稠和易結垢的工況。
5、雙向流動,使用安裝更方便。
6、零件材質及法蘭尺寸可根據實際工況或用戶要求合理選配,滿足各種工程需要。
◆技術規范
| 結構形式 | BC |
| 驅動方式 | 手柄,蝸輪蝸桿傳動,氣動,電動 |
| 設計標準 | API599,API6D |
| 結構長度 | ASME B16.10 |
| 連接法蘭 | ASME B16.5 |
| 試驗和檢驗 | API598.API6D |
注:閥門連接法蘭尺寸可根據用戶要求設計制造。
◆產品性能規范
| 公稱壓力(LB) | 殼體試驗壓力(MPa) | 密封試驗壓力(MPa) | 適用溫度(℃) | 使用介質 |
| 150 | 3.0 | 2.2 | ≤180℃ | 水、蒸汽、油品等 |
| 300 | 7.5 | 5.5 | ||
| 600 | 15.0 | 11.0 | ||
| 900 | 22.5 | 16.5 |
.jpg)
◆主要零部件材質
| 序號 | 名稱 | 材質 |
| 1 | 閥體 | ASTM A216 WCB ASTM A217-WC1,WC6,WC9,C5 ASTM A351-CF8,CF8M,CF3,CF3M |
| 2 | 卡套 | PTFE |
| 3 | 塞子 | ASTM A182-Gr.F6a ASTM A182-F22 ASTM A182-F304,F316,F321,F304L,F316 |
| 4 | 墊片 | 柔性石墨+不銹鋼 |
| 5 | 調整墊 | ASTM A182-Gr.F6a ASTM A182-F22 ASTM A182-F304,F316,F321,F304L,F316 |
| 6 | 閥蓋 | ASTM A216 WCB ASTM A217-WC1,WC6,WC9,C5 ASTM A351-CF8,CF8M,CF3,CF3M |
| 7 | 調整螺栓 | ASTM A193-B7,A320-B8,A193-B8M |
| 8 | 六角螺母 | ASTM A194-2H,A194-8,A194-8M |
| 9 | 螺栓 | ASTM A193-B7,A320-B8,A913-B8M |
| 10 | 手柄 | ASTM A105-WCB |
.jpg)
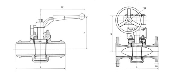
| 型號 | YDAX43-150LB | |||||||||||||||
| 壓力等級 | 150LB | |||||||||||||||
| 口徑Size | mm | 15 | 20 | 25 | 32 | 40 | 50 | 65 | 80 | 100 | 125 | 150 | 200 | 250 | 300 | 350 |
| in | 1/2 | 3/4 | 1 | 11/4 | 11/2 | 2 | 21/2 | 3 | 4 | 5 | 6 | 8 | 10 | 12 | 14 | |
| L | 108 | 117 | 127 | 140 | 165 | 178 | 190 | 203 | 229 | 254 | 267 | 292 | 330 | 356 | 381 | |
| H | 110 | 115 | 115 | 135 | 140 | 150 | 165 | 180 | 380 | 460 | 520 | 580 | 620 | 680 | 760 | |
| W | 175 | 175 | 175 | 220 | 280 | 305 | 350 | 405 | 300 | 300 | 320 | 320 | 350 | 380 | 450 | |
| 重量(kg) | 8.5 | 9.5 | 10.5 | 12 | 14 | 18 | 22 | 26 | 40 | 60 | 70 | 130 | 219 | 381 | 570 | |
| 注:四寸及以上為蝸輪操作4" |
| 型號 | YDAX43-300LB | |||||||||||||||
| 壓力等級 | 300LB | |||||||||||||||
| 口徑Size | mm | 15 | 20 | 25 | 32 | 40 | 50 | 65 | 80 | 100 | 125 | 150 | 200 | 250 | 300 | 350 |
| in | 1/2 | 3/4 | 1 | 11/4 | 11/2 | 2 | 21/2 | 3 | 4 | 5 | 6 | 8 | 10 | 12 | 14 | |
| L | 140 | 152 | 165 | 178 | 190 | 216 | 241 | 283 | 305 | 381 | 403 | 419 | 457 | 502 | 762 | |
| H | 110 | 115 | 115 | 135 | 140 | 150 | 165 | 180 | 380 | 460 | 520 | 580 | 620 | 680 | 760 | |
| W | 175 | 175 | 175 | 220 | 280 | 305 | 350 | 405 | 300 | 300 | 320 | 320 | 350 | 380 | 450 | |
| 重量(kg) | 9.5 | 10.5 | 12 | 14 | 16 | 20 | 24 | 29 | 53 | 75 | 85 | 185 | 230 | 390 | 550 | |
注:四寸及以上為蝸輪操作4"
.jpg)
| 型號 | YDAX43-600LB | |||||||||||||||
| 壓力等級 | 600LB | |||||||||||||||
| 口徑Size | mm | 15 | 20 | 25 | 32 | 40 | 50 | 65 | 80 | 100 | 125 | 150 | 200 | 250 | 300 | 350 |
| in | 1/2 | 3/4 | 1 | 11/4 | 11/2 | 2 | 21/2 | 3 | 4 | 5 | 6 | 8 | 10 | 12 | 14 | |
| L | 165 | 190 | 216 | 229 | 241 | 292 | 330 | 356 | 432 | 508 | 559 | 660 | 787 | 838 | 889 | |
| H | 110 | 115 | 115 | 135 | 140 | 150 | 165 | 180 | 380 | 460 | 520 | 580 | 620 | 680 | 760 | |
| W | 175 | 175 | 175 | 220 | 280 | 305 | 350 | 405 | 300 | 300 | 320 | 320 | 350 | 380 | 450 | |
| 重量(kg) | 11 | 13 | 17 | 20 | 23 | 27 | 31 | 36 | 72 | 98 | 141 | 245 | 330 | 515 | 710 | |
注:四寸及以上為蝸輪操作4"
| 型號 | YDAX43-900LB | |||||||||||||||
| 壓力等級 | 900LB | |||||||||||||||
| 口徑Size | mm | 15 | 20 | 25 | 32 | 40 | 50 | 65 | 80 | 100 | 125 | 150 | 200 | 250 | 300 | 350 |
| in | 1/2 | 3/4 | 1 | 11/4 | 11/2 | 2 | 21/2 | 3 | 4 | 5 | 6 | 8 | 10 | 12 | 14 | |
| L | 229 | 229 | 254 | 279 | 305 | 368 | 419 | 381 | 457 | 559 | 610 | 737 | 838 | 965 | 1029 | |
| H | 110 | 115 | 115 | 135 | 140 | 150 | 165 | 180 | 380 | 460 | 520 | 580 | 620 | 680 | 760 | |
| W | 175 | 175 | 175 | 220 | 280 | 305 | 350 | 405 | 300 | 300 | 320 | 320 | 350 | 380 | 450 | |
| 重量(kg) | 13 | 16 | 21 | 24 | 28 | 32 | 40 | 47 | 91 | 117 | 165 | 285 | 420 | 610 | 860 | |
注:四寸及以上為蝸輪操作4"