



三通銅芯旋塞閥詳細說明
主要性能規范
PN(MPa)
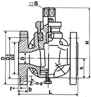
主要尺寸
PN(MPa)
DN(mm)
主要材料
.gif)
.jpg)