



三通鑄鋼旋塞閥詳細說明
主要性能規
|
型號
|
公稱壓力
PN(MPa) |
試驗壓力PS(MPa)
|
適用介質
|
工作溫度(℃)
|
|
|
殼體
|
密封
|
||||
|
X44W-1.0C
|
1.0
|
1.5
|
1.1
|
煤氣、油品
|
≤200
|
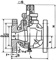
主要尺寸
|
公稱壓力
PN(MPa) |
公稱通徑
DN(mm) |
尺寸(mm)
|
|||||||
|
L
|
D
|
D1
|
D2
|
z-φd
|
□s
|
h
|
H
|
||
|
1.0
|
25
|
145
|
115
|
85
|
56
|
4╳φ14
|
17
|
38
|
133
|
|
32
|
170
|
135
|
100
|
78
|
4╳φ18
|
18
|
45
|
152
|
|
|
40
|
180
|
145
|
110
|
85
|
4╳φ18
|
24
|
55
|
212
|
|
|
50
|
200
|
160
|
125
|
100
|
4╳φ18
|
28
|
74
|
260
|
|
|
65
|
220
|
180
|
145
|
120
|
4╳φ18
|
32
|
82
|
295
|
|
|
80
|
250
|
195
|
160
|
135
|
4╳φ18
|
40
|
95
|
327
|
|
|
100
|
300
|
215
|
180
|
155
|
8╳φ18
|
45
|
135
|
425
|
|
|
125
|
350
|
245
|
210
|
185
|
8╳φ18
|
54
|
154
|
482
|
|
|
150
|
400
|
280
|
240
|
210
|
8╳φ23
|
62
|
172
|
512
|
|
|
200
|
450
|
335
|
295
|
265
|
8╳φ23
|
75
|
195
|
605
|
|
|
250
|
530
|
390
|
350
|
320
|
8╳φ23
|
85
|
230
|
660
|
|
|
300
|
580
|
440
|
400
|
368
|
8╳φ23
|
100
|
263
|
760
|
|
主要材料
|
零件名稱
|
閥體
|
塞子
|
填料壓蓋
|
填料
|
|
X44W-1.0C
|
鑄鋼
|
鑄鋼
|
鑄鋼
|
柔性石墨
油浸石棉盤根 |
.gif)
.jpg)