



搪玻璃放料閥
搪玻璃設備是喊高硅量的玻璃質釉。通過900℃左右高溫涂于金屬胎而成。它具有良好的機械性能和耐腐蝕性能,能防止介質與金屬離子取代作用而影響污染制品,并且表面光潔、耐磨、有一定的熱穩定性。在化工、石油、冶金、制藥、農藥、染料、食品加工等行業廣泛使用。
|
產品名稱
|
規格
|
使用范圍
|
|
上下展式放料閥
|
DN70/32
|
50~100L反鍋
|
|
DN80/40
|
200~500L反鍋
|
|
|
DN100/50
|
1000~2000L反鍋
|
|
|
DN125/80
|
3000L反鍋
|
|
|
DN150/100
|
5000L以上的反鍋
|
|
|
—
|
—
|
配用各種管道上使用
|
|
—
|
||
|
—
|
||
|
—
|
||
|
—
|
—
|
50~100L反鍋
|
|
—
|
200L
|
|
|
—
|
300~500L
|
|
|
—
|
1000~2000L
|
|
|
—
|
3000L
|
|
|
—
|
—
|
500-300L貯罐
|
.jpg)
|
配反應罐
|
規格
|
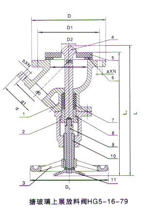
D
|
D1
|
D2
|
D3
|
a×N
|
d
|
d1
|
b×N
|
L
|
D0×d0
|
重量(kg)
|
|
50~100
|
70/32
|
∮160
|
∮130
|
∮34
|
∮160
|
4~∮14
|
∮120
|
∮90
|
4~∮14
|
268
|
75×32
|
8.7
|
|
200~500
|
80/50
|
∮185
|
∮150
|
∮40
|
∮160
|
4~∮18
|
∮140
|
∮100
|
4~∮14
|
275
|
85×40
|
10.5
|
|
1000~2000
|
100/50
|
∮205
|
∮170
|
∮50
|
∮180
|
4~∮18
|
∮140
|
∮110
|
4~∮14
|
315
|
95×50``
|
12.7
|
|
``
|
``
|
∮210
|
∮185
|
∮50
|
∮180
|
6~∮14
|
∮140
|
``
|
``
|
315
|
``
|
``
|
|
3000
|
125/80
|
∮235
|
∮200
|
∮65
|
∮200
|
8~∮18
|
∮185
|
∮150
|
4~∮18
|
365
|
110×80
|
19
|
|
``
|
``
|
``
|
∮210
|
``
|
``
|
10~∮14
|
``
|
``
|
``
|
``
|
``
|
``
|
|
5000
|
150/100
|
∮260
|
∮225
|
∮80
|
``
|
8~∮18
|
∮205
|
∮170
|
``
|
505
|
125×100
|
22.3
|
.jpg)
|
配反應罐
|
規格
|
D
|
D1
|
D2
|
D3
|
a×N
|
d
|
d1
|
b×N
|
L
|
L1
|
D0×d0
|
重量(kg)
|
|
50~100
|
70/32
|
∮160
|
∮130
|
∮40
|
∮160
|
4~∮14
|
∮120
|
∮90
|
4~∮14
|
350
|
325
|
75×32
|
14.5
|
|
200~500
|
80/50
|
∮185
|
∮150
|
∮58
|
``
|
4~∮18
|
∮130
|
∮100
|
``
|
360
|
330
|
85×40
|
15.7
|
|
1000~2000
|
100/50
|
∮205
|
∮170
|
∮72
|
``,
|
6~∮14
|
∮140
|
∮110
|
``
|
390
|
360
|
95×50
|
19.4
|
|
``
|
``
|
∮210
|
∮185
|
∮60
|
``
|
8~∮14
|
``
|
``
|
``
|
``
|
``
|
``
|
``
|
|
``
|
``
|
``
|
∮190
|
``
|
``
|
8~∮14
|
``
|
``
|
``
|
``
|
``
|
``
|
``
|
|
3000
|
125/80
|
∮235
|
∮200
|
∮100
|
∮200
|
8~∮18
|
∮185
|
∮150
|
4~∮18
|
450
|
400
|
120×80
|
27.5
|
|
``
|
``
|
``
|
∮210
|
∮80
|
``
|
10~∮14
|
``
|
``
|
``
|
``
|
``
|
``
|
``
|
|
5000
|
150/100
|
∮260
|
∮225
|
∮120
|
``
|
8~∮18
|
∮205
|
∮170
|
``
|
485
|
420
|
140×80
|
35.1
|