



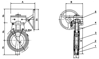
蝸輪對夾襯膠蝶閥
|
密封圈材料代號 |
適用溫度 |
適用介質 |
|
NR |
≤85℃ |
水、空氣、酸堿類 |
|
CR |
≤85℃ |
水、煤氣、酸堿類 |
|
NBR |
≤100℃ |
水、油品 |
|
EPDM |
≤120℃ |
水、蒸汽、一般酸堿類 |
|
FKM |
≤150℃ |
水、蒸汽、強酸堿類 |
|
閥體 |
鑄鐵、球墨鑄鐵、碳鋼、不銹鋼 |
|
蝶板 |
鑄鐵、球墨鑄鐵、碳鋼、不銹鋼、碳鋼完全包覆橡膠或氟塑料 |
|
閥桿 |
碳鋼鍍鎳磷、不銹鋼 |
|
閥座密封圈 |
天然膠NR、氯丁膠CR、丁腈膠NBR、三元乙丙膠EPDM、氟橡膠FKM |
|
蝸輪裝置 |
組合件 |
|
公稱通徑DN |
公稱壓力MPa |
工作壓力MPa |
L |
D |
D1 |
n-Φd |
H1 |
H2 |
Do |
H3 |
A |
B |
質量 |
|
40 |
1.0 |
1.0 |
33 |
150 |
110 |
4-18 |
55 |
100 |
150 |
62 |
164 |
125 |
6 |
|
50 |
43 |
165 |
125 |
4-18 |
64 |
120 |
150 |
62 |
164 |
125 |
7 |
||
|
65 |
46 |
185 |
145 |
4-18 |
80 |
120 |
208 |
62 |
164 |
125 |
10 |
||
|
80 |
46 |
200 |
160 |
8-18 |
112 |
130 |
260 |
62 |
164 |
125 |
11 |
||
|
100 |
52 |
220 |
180 |
8-18 |
90 |
140 |
275 |
62 |
164 |
125 |
12 |
||
|
125 |
56 |
250 |
210 |
8-18 |
112 |
160 |
350 |
106 |
289 |
200 |
18 |
||
|
150 |
56 |
285 |
240 |
8-22 |
135 |
175 |
350 |
106 |
289 |
200 |
29 |
||
|
200 |
60 |
340 |
295 |
8-22 |
160 |
210 |
240 |
106 |
289 |
200 |
34.5 |
||
|
250 |
0.6 |
68 |
395 |
350 |
12-22 |
206 |
235 |
240 |
106 |
289 |
200 |
44 |
|
|
300 |
78 |
445 |
400 |
12-22 |
232 |
273 |
320 |
112 |
370 |
253 |
64.5 |
||
|
350 |
78 |
505 |
450 |
16-22 |
263 |
310 |
320 |
112 |
370 |
253 |
75.5 |
||
|
400 |
102 |
565 |
515 |
16-26 |
295 |
340 |
400 |
270 |
562 |
280 |
156 |
||
|
450 |
114 |
615 |
565 |
20-26 |
327 |
370 |
400 |
270 |
562 |
280 |
171.5 |
||
|
500 |
127 |
670 |
620 |
20-26 |
358 |
399 |
400 |
270 |
562 |
280 |
206.5 |
||
|
550 |
0.4 |
140 |
730 |
675 |
20-30 |
384 |
430 |
400 |
270 |
562 |
280 |
215 |
|
|
600 |
154 |
780 |
725 |
20-30 |
474 |
460 |
500 |
270 |
562 |
280 |
283 |
||
|
700 |
165 |
895 |
840 |
24-30 |
486 |
510 |
500 |
125 |
503 |
443 |
426 |
||
|
800 |
190 |
1015 |
950 |
24-33 |
591 |
672 |
500 |
200 |
513 |
531 |
550 |
||
|
900 |
203 |
1115 |
1050 |
28-33 |
|
500 |
200 |
513 |
531 |
1070 |
|||
|
1000 |
216 |
1230 |
1160 |
28-36 |
721 |
800 |
550 |
273 |
713 |
815 |
1296 |
||
.jpg)

設計與制造:GB12238
結構長度:GB12238
法蘭連接尺寸:GB4216