



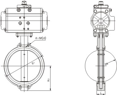
| 蝶閥參數 | ||
| 中線軟密封蝶閥是管線優先選用的常規蝶閥,具有結構簡潔,流阻系數小,流量特性趨于直線,不會滯留雜物。且重量輕,安裝方便,驅動扭矩較小的優點。這種閥門既可作切斷介質用,又可作調節介質的流量用。驅動裝置根據用戶要求,分別可采用手動、電動、氣動等方式。選用不同材料的零件,配用不同材料的密封圈,可適應不同的介質、工況,使成本與性能達到最佳效果。 軟密封蝶閥適用于溫度≤120℃或≤150℃,公稱壓力≤1.6MPa給排水、污水、食品、供暖、燃氣、船舶、水電、冶金、能源系統以及輕紡等行業,特別適用于雙向密封和閥體易銹蝕場合,作調節流量和截流介質。其主要特點為: 1、小巧輕便,容易拆裝及維修,并可在任意位置安裝。 2、結構簡單、緊湊,操作扭矩小,90°回轉開啟迅速。 3、流量特性趨直線,調節性能好。 4、蝶板與閥桿的連接采用無銷釘結構,克服了有可能的內泄漏點。 5、蝶板外圓采用球面造型,提高了密封性能及延長了閥門的使用壽命,帶壓啟閉5萬次以上仍保持零泄漏。 6、密封件可更換,且密封可靠達到雙向密封。 7、蝶板可根據用戶要求噴涂覆層,如尼龍或聚四氟類。 8、該閥可設計成法蘭連接和對夾連接。 9、驅動方式可選擇手動、電動或氣動。 |
||
| 中線型軟密封蝶閥密封結構 | ||
| 本公司在生產軟密封蝶閥的過程中,不斷吸取國內外先進技術和結構特點,為滿足廣大用戶不同工況的需求,本公司所生產軟密封蝶閥均采用 1、普通中線型蝶閥, 2、復合閥座中線型蝶閥, 3、包覆蝶板的中線型蝶閥。其密封副結構如下: |
||
蝶板的回轉中心(即閥桿的中心)位于閥體的中心線和蝶板的密封面截面上。
閥座采用合成橡膠。關閉時蝶板的外圓密封面擠壓合成橡膠閥座,使閥座產生彈性變形而形成彈性力作為密封比壓保證蝶閥的密封。
密封結構采用聚四氟乙烯、合成橡膠構成復合閥座、其特點在于閥的彈性仍由合成橡膠提供并利用聚四氟乙烯的摩擦系數低、不易磨損、不易老化等特性,從而使蝶閥的壽命得以提高。
其密封原理和結構特點同普通中線型蝶閥相同。
密封結構采用聚四氟乙烯、合成橡膠和酚醛樹脂構成復合閥座、使閥座在具有彈性的同時強度更好。同時將蝶板用聚四氟乙烯全包覆,使蝶板具有較強的抗腐蝕性能。
其密封原理和結構特點同普通中線型蝶閥相同。
密封圈材料

閥密封圈材料 體材料:灰鑄鐵 ( HT200、HT250 ) 球墨鑄鐵 ( QT400、QT450 )
碳鋼 (WCB、WCC、LCB) 鉻鉬鋼 (WC5、WC6、WC9) 合金鋼
不銹鋼 (CF3、CF8、CF3M、CF8M、ZG1Cr18Ni9Ti、ZG1Cr18Ni12Mo2Ti)
內件材料:不銹鋼 ( 2Cr13、1Cr18Ni9、1Cr18Ni9Ti、1Cr18Ni12Mo2Ti、304、316、304L、316L )
碳鋼 鉻鉬鋼 特殊鋼
連接形式:法蘭、對夾、
驅動方式:手動、蝸輪傳動、電動、 氣動.
主要外形和連接尺寸(對夾式)

