



KHP(PKH)系列板式球閥
型號說明
①系列代號:KHP(PKH)系列板式球閥
②公稱通徑:6、10、16、20、25、32、40、50mm
③閥體材料:1-鋼
④球體材料:1-鋼、2-黃銅
⑤工作溫度:1、-25~+100℃ 2、-30~+170℃
⑥其他密封:2-丁晴橡膠、4-氟橡膠
⑦ 手柄形式:01-鋁質直柄02-鋁質曲柄03-鑄鋅直柄04-鑄鋅曲柄05-鋼質直柄06-鋼質曲柄09-不帶手柄
⑧設計序號:由生產商定

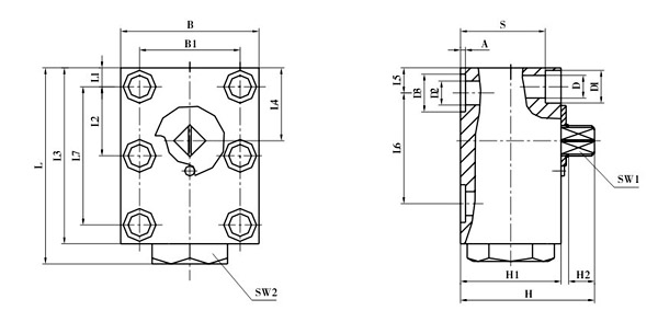
外形尺寸表
|
簡略型號
|
DN
|
LW
|
L
|
L1
|
L2
|
L3
|
L4
|
L5
|
L6
|
L7
|
B
|
B1
|
|
KHP-06
|
06
|
06
|
64
|
8.5
|
17.5
|
59
|
25
|
8.5
|
35
|
35
|
40
|
27
|
|
KHP-10
|
10
|
9.5
|
77
|
7.5
|
27.5
|
70
|
29
|
10
|
44
|
55
|
55
|
40
|
|
KHP-16
|
16
|
16
|
110
|
8.5
|
41.5
|
100
|
43
|
17
|
58
|
83
|
60
|
45
|
|
KHP-20
|
20
|
20
|
126
|
10
|
48.5
|
117
|
54
|
20
|
69
|
97
|
70
|
51
|
|
KHP-25
|
25
|
23.5
|
145
|
10
|
57.5
|
135
|
64.5
|
24
|
81
|
115
|
80
|
60
|
|
KHP-32
|
32
|
30
|
177
|
12
|
68
|
165
|
75.5
|
29
|
96
|
136
|
100
|
78
|
|
KHP-40
|
40
|
38
|
200
|
30
|
56
|
185
|
80
|
30
|
112
|
112
|
130
|
95
|
|
KHP-50
|
50
|
48
|
245
|
38
|
68
|
220
|
106
|
38
|
136
|
136
|
149
|
112
|
|
簡略型號
|
SW1
|
SW2
|
H
|
H1
|
H2
|
D
|
D1
|
D2
|
D3
|
A
|
S
|
O 形圈
|
|
KHP-06
|
09
|
22
|
37.5
|
30
|
7
|
6.6
|
11
|
6
|
11.7
|
1.6
|
23
|
8×2
|
|
KHP-10
|
09
|
30
|
58
|
40
|
8.5
|
9
|
13
|
9.5
|
15
|
2
|
31
|
10×2.6
|
|
KHP-16
|
09
|
41
|
72.5
|
52
|
11
|
9
|
13
|
16
|
25
|
2
|
43
|
20.29×2.62
|
|
KHP-20
|
12
|
41
|
88.5
|
60
|
11
|
10.5
|
16.5
|
20
|
30
|
2.5
|
50
|
23.39×3.53
|
|
KHP-25
|
12
|
46
|
97.5
|
65
|
11
|
10.5
|
17
|
23.5
|
35
|
2.5
|
55
|
28.17×3.53
|
|
KHP-32
|
14
|
55
|
118.5
|
80
|
12
|
13
|
19
|
30
|
40
|
2.5
|
67
|
32.92×3.53
|
|
KHP-40
|
14
|
65
|
118.5
|
93
|
12
|
17
|
25
|
38
|
48
|
3
|
77
|
42×3.5
|
|
KHP-50
|
14
|
/
|
129
|
110
|
12
|
22
|
33
|
48
|
55.4
|
2.9
|
88.5
|
49×3.5
|
|
簡略型號
|
內六角螺栓DIN912
|
扭距 Nm(摩擦系數μ=0.14時)
|
|
KHP-06
|
M6-10.9
|
13
|
|
KHP-10
|
M8-10.9
|
30
|
|
KHP-16
|
M8-12.9
|
35
|
|
KHP-20
|
M8-12.9
|
60
|
|
KHP-25
|
M10-12.9
|
60
|
|
KHP-32
|
M12-12.9
|
110
|
|
KHP-40
|
M16-12.9
|
300
|
|
KHP-50
|
M20-12.9
|
600
|