JZF型截止閥
圖形符號.jpg)
JZF型截止閥型號說明.jpg)
① 產品代號:JZF截止閥
② 公稱通徑:40、60、65、80、100mm
③ 連接形式:F-法蘭式
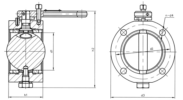
JZF型截止閥外形尺寸
.jpg)
型號
|
h1
|
h2
|
d1
|
d2
|
d3
|
n-d4
|
兩端密封形式
|
JZF-40FA
|
40
|
90
|
Ф44
|
Ф64
|
Ф75
|
4-Ф7
|
兩端平面、無O形圈溝槽
|
JZF-40FB
|
40
|
90
|
Ф44
|
Ф70
|
Ф81
|
4-Ф7
|
兩端帶56×3.5 O形圈溝槽
|
JZF-60F
|
45
|
115
|
Ф68
|
Ф92
|
Ф105
|
4-Ф7
|
兩端平面、無O型圈溝槽
|
JZF-65F
|
50
|
150
|
Ф68
|
Ф108
|
Ф135
|
6-Ф11
|
兩端平面、無O型圈溝槽
|
JZF-80F
|
50
|
150
|
Ф91
|
Ф120
|
Ф135
|
4-Ф9
|
兩端平面、無O型圈溝槽
|
JZF-100F
|
55
|
175
|
Ф116
|
Ф148
|
Ф165
|
4-Ф9
|
兩端平面、無O型圈溝槽
|