



鍛鋼保溫截止閥標準材質明細表
| 序號 | 零件名稱 | CS to ASTM | AS to ASTM | AS to ASTM | |
| Type A105 | Type F22 | Type F304(L) | Type F316(L) | ||
| 1 | 閥體 | A105 | A182F22 | A182F304(L) | A182F316(L) |
| 2 | 墊片 | 316夾柔性石墨+graphite | 316夾柔性石墨 SS+PTFE | ||
| 3 | 閥蓋螺栓 | A193 B7 | A193 B16 | A193 B8 | A193 B8M |
| 4 | 圓柱銷 | A276 420 | |||
| 5 | 填料壓套 | A276 410 | A182 F304(L) | A182 F316(L) | |
| 6 | 活節螺栓 | A193 B7 | A193 B16 | A193 B8 | A193 B8M |
| 7 | 螺母 | A194 2H | A194 4 | A193 8 | A193 8M |
| 8 | 閥桿螺母 | ||||
| 9 | 螺母 | A194 2H | A194 4 | A193 8 | A193 8M |
| 10 | 銘牌 | SS | |||
| 11 | 手輪 | A197 | |||
| 12 | 填料壓板 | A216 WCB | A351 Cf8 | ||
| 13 | 填料 | Flexible Graphite | PTFE | ||
| 14 | 閥蓋 | A105 | A276 304 | A182 F304(L) | A182 F316(L) |
| 15 | 閥桿 | A182 F6 | A182 F304 | A182 F304(L) | A182 F316(L) |
| 16 | 閥瓣 | A276 420 | A276 304 | A276 304(L) | A276 316(L) |
| 適用介質 | 水、蒸氣、油品等 | 水、蒸氣、油品等 | 硝酸、醋酸等 | ||
| 適用溫度 | -29℃-425℃ | -29℃-550℃ | -29℃-180℃ | ||
注意:客戶需求的其他材質也可采用密封材料配對由客戶指定內代件代號決定。AS=合金鋼;SS=不銹鋼
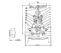
尺寸和重量
| NPS | 1/2 | 3/4 | 1 | 1 1/4 | 1 1/2 | 2 | |
| L(RF) L1 (BW) |
900-1500Lb | 216 | 229 | 254 | 279 | 305 | 371 |
| 900-1500Lb | 216 | 229 | 254 | 279 | 305 | 368 | |
| H(OPEN) | 207 | 207 | 240 | 258 | 330 | 355 | |
| W | 125 | 125 | 160 | 160 | 180 | 200 | |
| 2-G | 3/8 | 3/8 | 3/8 | 1/2 | 1/2 | 1/2 | |
鍛鋼保溫截止閥標準材質明細表
序號
零件名稱
CS to ASTM
AS to ASTM
AS to ASTM
Type A105
Type A182 F22
Type F304(L)
Type F316(L)
1
閥體
A105
A182 F22
A182 F304(L)
A182 F316(L)
2
閥瓣
A276 420
A276 304
A276 304(L)
A276 F316(L)
3
閥桿
A182F6
A182 F304
A182 F304(L)
A182 F316(L)
4
密封座
A105
A182 F304
A182 F304(L)
F316
5
密封環
A182 f304(L)
A182 F316(L)
6
閥蓋
A105
A82 F22
A182 F304(L)
A182 F316(L)
7
圓柱銷
A276 420
A276 304
8
墊圈
A105
9
提升螺母
A1942H
A182 F304
10
填料
不銹鋼+柔性石墨
PTFE
11
填料壓套
A276 420
A182 F304
12
填料壓板
A216 WCB
A351 Cf8
13
活節螺栓
A193 B7
A193 B16
A193 B8
A194 B8M
14
螺母
A193 2H
A194 4
A193 8
A194 8M
15
閥桿螺母
A276410
16
手輪
A197
17
銘牌
SS
18
螺母
柔性石墨
PTFE
適用介質
水、蒸氣、油品等
水、蒸氣、油品等
硝酸、醋酸等
適用溫度
-29℃-425℃
-29℃-550℃
-29℃-180℃
鍛鋼保溫截止閥尺寸和重量
NPS
1/2
3/4
1
1 1/4
1 1/2
2
L(RF)
L1 (BW) 900-1500Lb
216
229
254
279
305
368
2500Lb
264
273
308
349
384
451
H(OPEN)
900lb-1500lb
318
318
318
398
408
524
2500lb
333
333
333
410
420
524
W
160
160
180
200
250
280
2-G
3/8
3/8
3/8
1/2
1/2
1/2
.jpg)